Москва: +7 (495) 134-29-44
Санкт-Петербург: +7 (812) 213-07-12
Telegram

VC-30R VOLTA Регулятор громкости с аварийным реле

VC-30R Регулятор громкости с аварийным реле
Регулятор громкости с аварийным реле VC-30R
Регулятор громкости с аварийным реле VC-30R
Регулятор громкости с аварийным реле VC-30R
Регулятор громкости с аварийным реле VC-30R
Артикул: av25296
Производитель: VOLTA
Розничная цена:1 326 ₽/шт.

Доставка по всей России со склада в Москве

Остались вопросы? Свяжитесь с нами:

+7 (495) 134-29-44
info@audio-video.ru

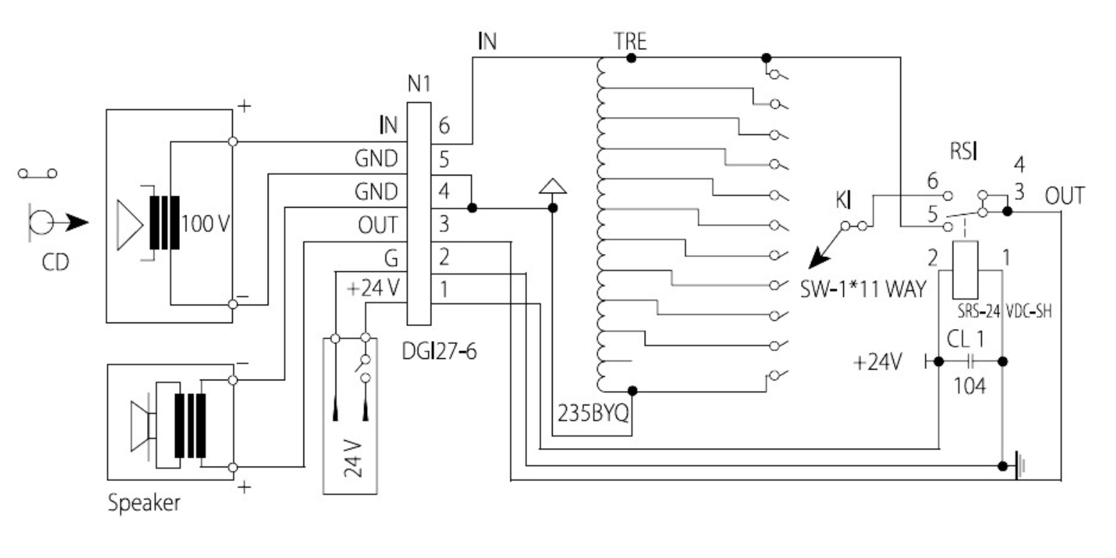
VOLTA VC-30R - это настенный регулятор громкости (аттенюатор), который предназначен для управления уровнем громкости в выбранной зоне системы музыкально-речевых трансляций и аварийного оповещения

Мощность 30 Вт, аттенюатор отвечает за громкоговорители / акустические системы мощность или сумма мощностей которых не превышает данный показатель. Поворотный, пошаговый, всего 10 шагов регулировки громкости (от "тихо" до "максимум") + 1 шаг отключения (OFF).

Встроенное аварийное реле обеспечивает максимизацию громкости при поступлении внешнего управляющего сигнала с параметрами +24В / 8 мА. Перевод на максимальную громкость происходит даже в случае, когда аттенюатор находится в режиме "OFF". Это необходимо для систем аварийного оповещения на случай чрезвычайной ситуации.

Корпус VC-30R выполнен из ABS пластика, габаритные размеры 86х86х70 мм, вес 160 г. Установка  регулятора выполняется на стену, как накладным, так и врезным способом, для чего используются специализированные монтажные боксы стандартного евроразмера (приобретается отдельно). Для подключения кабельных линий на тыльной части имеется клеммная колодка.

Подробное описание

Схема подключения


Тип: регулятор громкости (аттенюатор)
Максимальная мощность: 30 Вт
Рабочее напряжение трансляционной линии: 100 В
Диапазон регулировки: 11 положений, включая OFF
Реле аварийного отключения: +24 В / 8 мА
Материал корпуса: ABS пластик
Габаритные размеры (ШхВхГ): 86х86х70 мм
Материал: ABS-пластик
Вес: 160 г
Цвет: серый

Дополнительно

Регулятор громкости с аварийным реле
Аттенюатор для трансляционной линии 100 В. Мощность 30 Вт. Поворотный, 11 шагов регулировки (10 для громкости + 1 OFF). Встроенное аварийное реле срабатывает при коммутации +24В (8 мА) и переводит на максимальную громкость. Корпус из ABS пластика, габариты 86х86х70 мм, вес 160 г. Установка в стандартный монтажный бокс (евроразмер). Серый цвет.
1 326 руб.
-+
В корзину
Регулятор громкости с аварийным реле
Аттенюатор для трансляционной линии 100 В. Мощность 60 Вт. Поворотный, 11 шагов регулировки (10 для громкости + 1 OFF). Встроенное аварийное реле срабатывает при коммутации +24В (8 мА) и переводит на максимальную громкость. Корпус из ABS пластика, габариты 86х86х70 мм, вес 160 г. Установка в стандартный монтажный бокс (евроразмер). Серый цвет.
1 482 руб.
-+
В корзину
Накладной монтажный короб для аттенюаторов VC
Накладной короб для монтажа одного регулятора громкости VOLTA серия VC. Размеры 86х86х52 мм, вес 100 г. Белый.
273 руб.
-+
В корзину
Встраиваемый монтажный короб для аттенюаторов VC
Встраиваемый короб для монтажа одного регулятора громкости VOLTA серия VC. Размеры: внутренние 68х70х50 мм, внешние 80х78х52 мм, вес 60 г. Прозрачно-черный.
273 руб.
-+
В корзину
Регулятор громкости с аварийным реле
Аттенюатор для трансляционной линии 100 В. Мощность 120 Вт. Поворотный, 11 шагов регулировки (10 для громкости + 1 OFF). Встроенное аварийное реле срабатывает при коммутации +24В (8 мА) и переводит на максимальную громкость. Корпус из ABS пластика, габариты 86х86х70 мм, вес 180 г. Установка в стандартный монтажный бокс (евроразмер). Серый цвет.
1 794 руб.
-+
В корзину
Настенный регулятор громкости с реле аварийного отключения
Для трансляционной линии 100 В; максимальная мощность до 20 Вт; 11 шагов регулировки с шагом 3 дБ; аварийное реле отключения 24 В (25 мА); корпус из ABS пластика; габариты 80х80х50 мм; необходимая глубина для установки 46 мм; вес 0.100 кг; белый цвет.
4 956 руб.
-+
В корзину
Сменная панель для аттенюаторов VC
Сменная лицевая панель черного цвета для аттенюатора VOLTA серия VC. Размеры 86х86 мм. В комплекте панель, ручка регулятора громкости и декоративные заглушки.
195 руб.
-+
В корзину
Настенный регулятор громкости с реле аварийного отключения
Для трансляционной линии 100 В; максимальная мощность до 60 Вт; 11 шагов регулировки с шагом 3 дБ; аварийное реле отключения 24 В (25 мА); корпус из ABS пластика; габариты 80х80х50 мм; необходимая глубина для установки 46 мм; вес 0.340 кг; белый цвет.
9 257 руб.
-+
В корзину
Настенный регулятор громкости с реле аварийного отключения
Для трансляционной линии 100 В; максимальная мощность подключаемой зоны до 36 Вт; 10 шагов регулировки с шагом 3 дБ; аварийное реле отключения 24 В (25 мА); корпус из ABS пластика; габариты 45х45х60 мм; типоразмер установки 45х45 мм; вес 0.150 кг; черный цвет.
14 780 руб.
-+
В корзину
Встраиваемая монтажная коробка для регуляторов громкости
Встраиваемая монтажная коробка для регуляторов громкости VC3022, VC3102 и VC3062; ABS пластик; винтовое крепление; перфорированные отверстия под кабельный ввод; подходит для полых конструкций из гипсокартона, пластика и др.
1 412 руб.
-+
В корзину
Встраиваемая монтажная коробка для регуляторов громкости
Встраиваемая монтажная коробка для регуляторов громкости VC3022, VC3102 и VC3062; габариты 72х72х48 мм; вес 0.153 кг; оцинкованная сталь; винтовое крепление; перфорированные отверстия под кабельный ввод; подходит для капитальных конструкций из бетона, кирпича и др.
1 412 руб.
-+
В корзину
Накладная монтажная коробка для регуляторов громкости
Накладная монтажная коробка для регуляторов громкости VC3022, VC3102 и VC3062; ABS пластик; белый цвет; габариты 81х81х51 мм; вес 0.061 кг.
2 792 руб.
-+
В корзину
Потолочный трансляционный громкоговоритель
Пассивная двухполосная акустика для систем музыкально-речевых трансляций и аварийного оповещения. Один коаксиальный динамик 8". Частотный диапазон 50 Гц - 20 кГц, чувствительность 89 дБ, направленность 120°. Работает в трансляционных линиях с напряжением 100В, мощность - 10 / 20 / 40 Вт. Требуемая мощность задается подключением одного из отводов трансформатора через клеммы. Корпус квадратной формы выполнен из ABS-пластика, металлическая решетка для защиты динамика. Габаритные размеры 255х255х100 мм, вес 2.2 кг. Эксплуатация в помещениях, монтаж в подвесной потолок, размеры монтажного отверстия 225х225 мм. Белый цвет.
4 639 руб.
-+
В корзину
Потолочный трансляционный громкоговоритель
Пассивная двухполосная акустика для систем музыкально-речевых трансляций и аварийного оповещения. Один коаксиальный динамик 6". Частотный диапазон 90 Гц - 20 кГц, чувствительность 88 дБ, направленность 120°. Работает в трансляционных линиях с напряжением 100В, мощность - 7.5 / 15 / 30 Вт. Требуемая мощность задается подключением одного из отводов трансформатора через клеммы. Корпус квадратной формы выполнен из ABS-пластика, металлическая решетка для защиты динамика. Габаритные размеры 220х220х95 мм, вес 1.7 кг. Эксплуатация в помещениях, монтаж в подвесной потолок, размеры монтажного отверстия 190х190 мм. Белый цвет.
3 797 руб.
-+
В корзину
Потолочный трансляционный громкоговоритель
Пассивная двухполосная акустика для систем музыкально-речевых трансляций и аварийного оповещения. Один коаксиальный динамик 5". Частотный диапазон 90 Гц - 20 кГц, чувствительность 88 дБ, направленность 120°. Работает в трансляционных линиях с напряжением 100В, мощность - 5 / 10 / 20 Вт. Требуемая мощность задается подключением одного из отводов трансформатора через клеммы. Корпус квадратной формы выполнен из ABS-пластика, металлическая решетка для защиты динамика. Габаритные размеры 190х190х80 мм, вес 1.3 кг. Эксплуатация в помещениях, монтаж в подвесной потолок, размеры монтажного отверстия 148х148 мм. Белый цвет.
3 094 руб.
-+
В корзину

Мы ценим вашу конфиденциальность

Мы используем файлы cookie, чтобы улучшить работу сайта, показывать персонализированную рекламу или контент и анализировать посещаемость. Продолжая использовать сайт, вы соглашаетесь на использование файлов cookie. Политика использования файлов cookie