Москва: +7 (495) 134-29-44
Санкт-Петербург: +7 (812) 213-07-12
Telegram

PDM200 AUDAC Пейджинговый микрофон на гусиной шее

PDM200 Пейджинговый микрофон на гусиной шее
Пейджинговый микрофон на гусиной шее PDM200
Артикул: av20134
Производитель: AUDAC
Розничная цена:18 053 ₽/шт.

Доставка по всей России со склада в Москве

Остались вопросы? Свяжитесь с нами:

+7 (495) 134-29-44
info@audio-video.ru

AUDAC PDM200 - пейджинговый динамический микрофон на гусиной шее, который совместим с усилителями мощности серии COM и подобными. Микрофон размещен на гибком держателе "гусиная шея", оснащен динамическим капсюлем с кардиоидной направленностью и имеет чувствительность -70 дБ. Настольная платформа выполнена из качественного ABS черного цвета и оборудована трехпозиционным переключателем (Permanently ON / Momentary ON / OFF). Для подключение предусмотрен 1.5 м кабельный отвод с 3-pin XLR разъемом на конце и тремя проводами Chime, благодаря которым данный микрофон может управлять зуммером в усилителях COM12COM24 или любых других где предусмотрен такой функционал.

Микрофон PDM200 это недорогое решение, которое идеально подойдет для передачи голосовых сообщений в небольших системах фонового озвучивания.

Подробное описание

Схемы подключения

Схема подключения микрофона AUDAC PDM200 к усилителю мощности серии COM

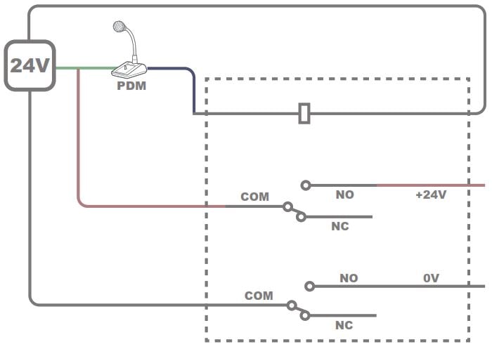
Схема подключения микрофона AUDAC PDM200 через реле с напряжением 24 В и 0 В 

Схема подключения микрофона AUDAC PDM200 с  регулятором громкости и зуммером


Тип: пейджинговый микрофон на гусиной шее
Тип капсуля: динамический
Диаграмма направленности: кардиоида
Чувствительность (1 Вт / 1 м): -70 дБ
Частотная характеристика (± 3 дБ): 80 Гц - 12 кГц
Переключатель: трехпозиционный (Permanently ON / Momentary ON / OFF)
Разъем для подключения: 3-pin XLR + 3 провода Chime (кабель 1.5 м)
Импеданс микрофонного входа: 600 Ом
Совместимость: усилители мощности серии COM и другие
Габаритные размеры (ШхВхГ): 110х365х160 мм
Вес: 0.860 кг
Цвет: черный
Микрофон: 1 шт.
Комплект документации (руководство пользователя, гарантийный талон и т.п.): 1 шт.

Дополнительно

Трансляционный микшер-усилитель
Усилитель D класса; мощность 240 Вт; 5 зон на 100 В, одна зона на 4 Ом; частотная характеристика 20 Гц - 20 кГц; до шести микрофонных входов два из которых комбо RCA (линейный)/6.3 мм Jack (микрофон); 10-pin EuroBlock для подключения громкоговорителей 100 В, 2-pin EuroBlock для подключения громкоговорителей 4 Ом; защита от КЗ, перегрева, перегрузки; фантомное питание микрофона 15 В DC; от 0°C до 40°C; 420x88x320 мм; 11 кг; установка на стол или 19” RACK стойку (опционально).
151 237 руб.
-+
В корзину
Трансляционный микшер-усилитель
Усилитель A/B класса; мощность 120 Вт; 5 зон на 100 В, одна зона на 4 Ом; частотная характеристика 20 Гц - 20 кГц; до шести микрофонных входов два из которых комбо RCA (линейный)/6.3 мм Jack (микрофон);10-pin EuroBlock для подключения громкоговорителей 100 В, 2-pin EuroBlock для подключения громкоговорителей 4 Ом; защита от КЗ, перегрева, перегрузки; фантомное питание микрофона 15 В DC; от 0°C до 40°C; 420x88x320 мм; 9.7 кг; установка на стол или 19” RACK стойку (опционально).
115 640 руб.
-+
В корзину
Трансляционный микшер-усилитель
Усилитель D класса; одна зона на 80 Вт; нагрузка 100 / 70 В / 4 Ом; частотная характеристика 20 Гц - 20 кГц; микрофонный 3-pin EuroBlock и линейный RCA / 3.5 mm Jack входы; 4-pin EuroBlock для подключения громкоговорителей; защита от КЗ, перегрева, перегрузки; фантомное питание микрофона 15 В DC; от 0°C до 40°C; 217.5x43.7x300 мм; 3 кг; установка на стол или 19” RACK стойку (опционально).
60 383 руб.
-+
В корзину
Трансляционный микшер-усилитель
Усилитель D класса; одна зона на 40 Вт; нагрузка 100 / 70 В / 4 Ом; частотная характеристика 20 Гц - 20 кГц; микрофонный 3-pin EuroBlock и линейный RCA / 3.5 mm Jack входы; 4-pin EuroBlock для подключения громкоговорителей; защита от КЗ, перегрева, перегрузки; фантомное питание микрофона 15 В DC; от 0°C до 40°C; 217.5x43.7x300 мм; 3 кг; установка на стол или 19” RACK стойку (опционально).
48 308 руб.
-+
В корзину
Трансляционный усилитель мощности
Усилитель D класса; мощность 2x 40 Вт (4 Ом), 2x 20 Вт (8 Ом) или 1х 80 Вт (70/100 В); частотная характеристика 20 Гц - 20 кГц; 1x SourceCon™ интерфейс для опциональных модулей; 1x линейный выход; микрофонные входы RCA / 3.5 mm Jack и EuroBlock; USB; 2.8” TFT дисплей; фантомное питание микрофона 15 В DC; от 0°C до 40°C; 217.5x43.7x300 мм; 2.2 кг; установка на стол или 19” RACK стойку (опционально).
126 438 руб.
-+
В корзину
Трансляционный усилитель мощности
Усилитель D класса; мощность 2x 80 Вт (4 Ом), 2x 40 Вт (8 Ом) или 1х 160 Вт (70/100 В); частотная характеристика 20 Гц - 20 кГц; 1x SourceCon™ интерфейс для опциональных модулей; 1x линейный выход; микрофонные входы RCA / 3.5 mm Jack и EuroBlock; USB; 2.8” TFT дисплей; фантомное питание микрофона 15 В; от 0°C до 40°C; 217.5x43.7x300 мм; 2.2 кг; установка на стол или 19” RACK стойку (опционально).
150 810 руб.
-+
В корзину

Мы ценим вашу конфиденциальность

Мы используем файлы cookie, чтобы улучшить работу сайта, показывать персонализированную рекламу или контент и анализировать посещаемость. Продолжая использовать сайт, вы соглашаетесь на использование файлов cookie. Политика использования файлов cookie